關於威士美
產品介紹
檔案下載
最新消息
聯絡我們
友站連結
語系
EN
TW
關於威士美
產品介紹
檔案下載
最新消息
聯絡我們
友站連結
語系
EN
TW
產品介紹
首頁
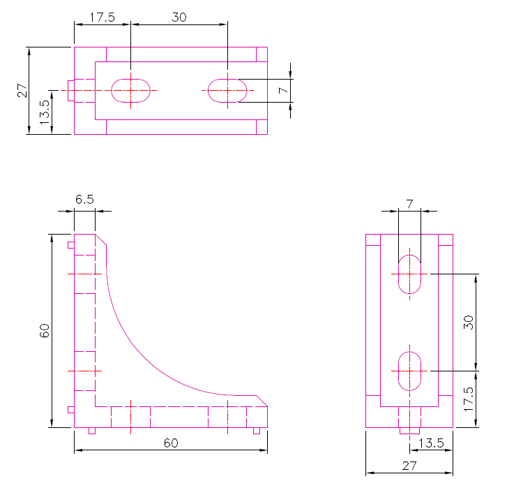
M6連結配件系列
DCB2760-6 連結塊
DCB2760-6 連結塊
返回上一頁
Top